|
|
제품 상세 정보:
결제 및 배송 조건:
|
| 크기: | 1/4" | 재료: | 스테인리스 316 |
|---|---|---|---|
| 스레드: | BSP 여성 실 | 압박: | 6.3Mpa/1000PSI |
| 물개: | 폴리 테트라 플루오로 에틸렌 | 벨브 손잡이: | 비닐 |
| 강조하다: | 맞댄 용접 공 벨브,ss 공 벨브 |
||
제품 설명
1PC 공 벨브는, 거기입니다 벨브 몸통 안쪽에 벨브 공 매체 (물, 석유 가스)를 통제하기 위하여 사용됩니다. 줄기를 돌아서, 벨브가 열리거나 닫을 수 있습니다, 그래서 교류는 이와 같이 통제될 수 있습니다. 공 벨브의 물개는 단단한 물개 또는 연약한 물개 (PTFE)일 수 있습니다. 연약한 물개 공 벨브에는 “0"가 있을 수 있어 새. 바다표범 어업에 높은 필요조건이 있는 경우에, 연약한 물개 공 벨브는 더 낫습니다.
몸 디자인, 1 PC 공 벨브 때문이 감소된 구멍은.
물자는 스테인리스 304 또는 316일 수 있습니다.
설계 기준: ANSI B 16.34
일 압력: 6.3MPA까지
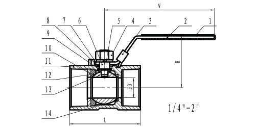
제품 세부사항
![]()
명세 세부사항

| 크기 | D | L | H | W | S |
| 1/4" | 4.6 | 39 | 31 | 65 | 17 |
담당자: admin